2020年注安成绩已公布!大家都查分了吗?同创学院在这里先祝贺各位通过的注安考生啦!注安成绩合格后,各位考生就可以注册了!近日,上海市应急管理局注册安全工程师注册中心发布《关于2021年度注册安全工程师注册有关工作的公告》。一起来看下注册要求吧!
关于2021年度注册安全工程师注册有关工作的公告
根据《注册安全工程师管理规定》(国家安全监管总局令第11号,以下简称《管理规定》)和《国家安全监管总局办公厅关于做好注册安全工程师恢复注册有关工作的通知》(安监总厅人事〔2017〕83号),为进一步做好本市注册安全工程师的注册受理、继续教育等工作,现将有关事项公告如下:
一、注册申请类型
注册安全工程师注册由申请人提出申请,包括初始注册、延续注册、变更注册和重新注册。
初始注册:取得注册安全工程师职业资格证书后,首次申请注册。2019年3月1日前取得职业资格证书的,应当在2024年3月1日前申请初始注册,2019年3月1日后取得职业资格证书的,应当在取得资格证书后5年内申请初始注册,否则将视为逾期初始注册。
延续注册:注册有效期到期前拟继续注册到原聘用单位,可在期满前3个月内(最长期满前1年内)申请延续注册。
变更注册:注册有效期内,拟变更聘用单位或注册类别,可申请变更注册;聘用单位名称更名也可申请变更注册。
重新注册:注册有效期已过的,继续教育学时修满后可申请重新注册。
二、注册申请的流程
根据国家应急管理部局有关规定,申请注册的人员应首先《中级注册安全工程师注册管理系统》(http://rmocse.chinasafety.ac.cn/)办理网上注册申报后(不含“执业证补办”和“执业证注销”两项注册申请),省级注册受理部门方可开展初审工作。经初审、终审、部批准后制证,证书寄送初审机构。
上海市安全生产科学研究所受上海市应急管理局委托承担本市行政区域内注册安全工程师注册的初审工作。
1.网络提交申请(不含办理“执业证补办”和“执业证注销”两项申请)
《中级注册安全工程师注册管理系统》于2019年11月25日进行升级,除“执业证补办”和“执业证注销”两项外,其他注册申请都采用网上注册申报的方式无需报送相关纸质材料。相关网上申请操作使用说明,申请人员可登录《中级注册安全工程师注册管理系统》(http://rmocse.chinasafety.ac.cn/),点击“登录”按钮下方的“注册说明”进行查阅。
上海市安全生产科学研究所将在每月下旬开展各项注册的网上初审工作并向注册终审机构申报。
2.现场提交材料申请(办理“执业证补办”和“执业证注销”两项申请)
办理“执业证补办”和“执业证注销”两项申请的人员,请务必在现场受理时间内到现场受理地点报送相关纸质材料(暂不接受快递服务)。
1)现场受理时间:
第一季度:3月15日-16日 9:30-15:00
第二季度:6月15日-16日 9:30-15:00
第三季度:9月15日-16日 9:30-15:00
第四季度:12月15日-16日 9:30-15:00
2)现场受理地点:
上海市安全生产科学研究所(田林路191号,近虹漕路)1号楼二楼209室
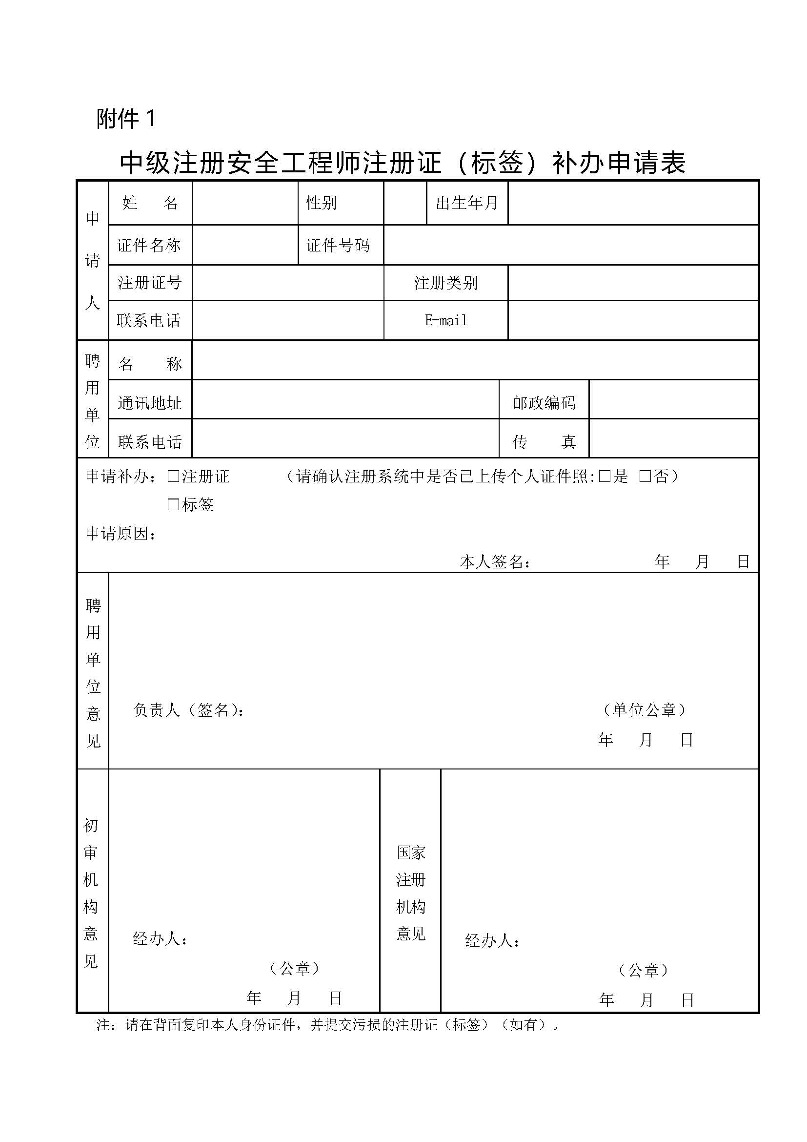
3.申请“执业证补办”的材料要求
执业证(标签)污损或遗失且在注册有效期内,可提交以下纸质材料申请补办,补办执业证的应确保在注册系统中已上传个人证件照。
1)中级注册安全工程师执业证(标签)补办申请表(按照要求打印后加盖单位公章,公章必须是聘用单位公章或人事部门公章,其他公章一概无效),可下载附件一。
2)身份证正反面复印件(可复印在申请表背面);
3)污损的《注册安全工程师执业证》原件或标签原件。
*如办理遗失补证,可免除第三项材料。
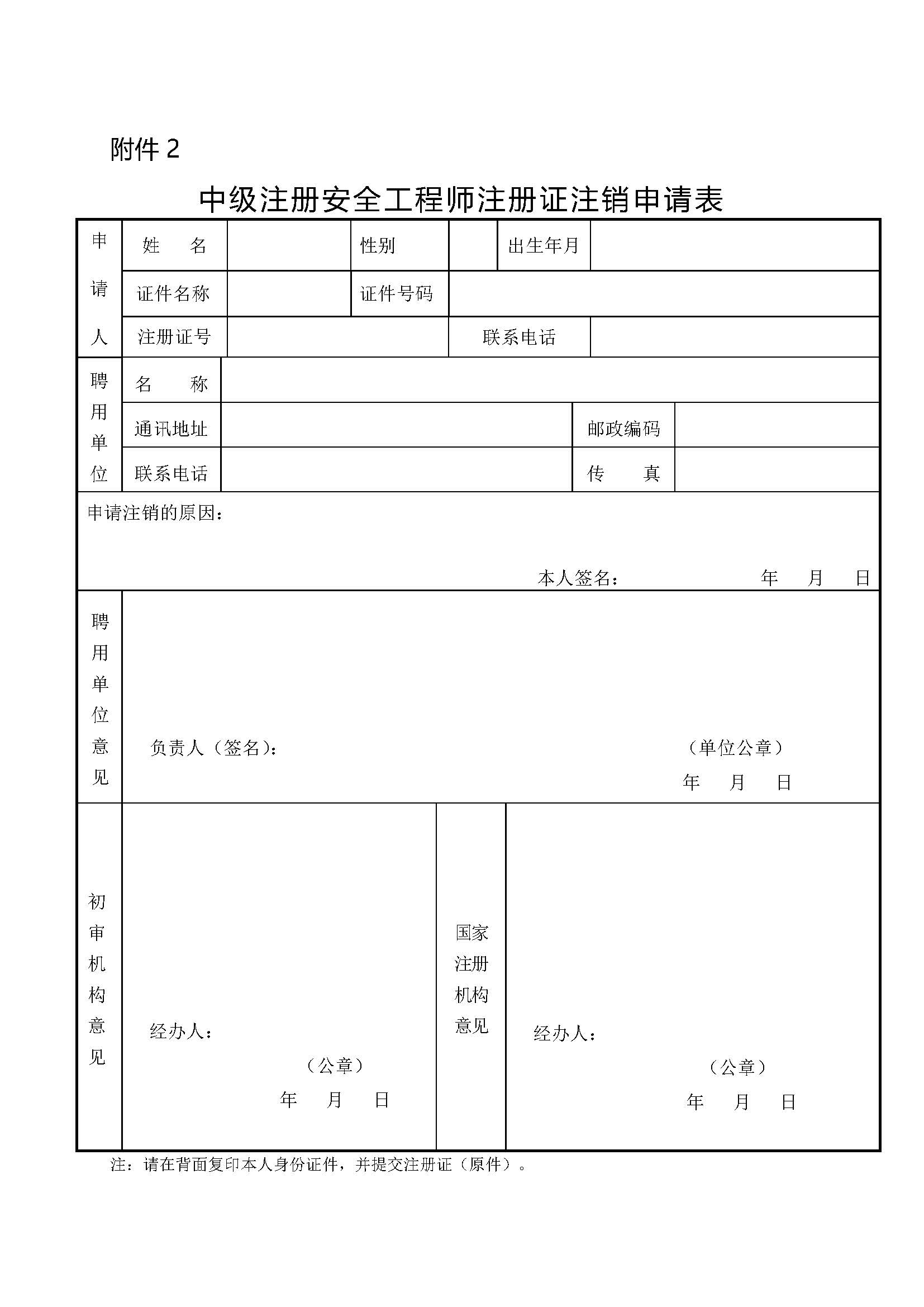
4.申请“执业证注销”的材料要求
执业证在有效期内,拟中止在现聘用单位的注册,可提交以下书面材料申请注销。
1)中级注册安全工程师执业证注销申请表(按照要求打印后加盖单位公章,公章必须是聘用单位公章或人事部门公章,其他公章一概无效),可下载附件二;
2)身份证正反面复印件(可复印在申请表背面);
3)《注册安全工程师执业证》原件。
三、证书领取
请及时关注“上海市安全生产科学研究所”(http://www.51safe.com.cn/)的“公告公告栏”查阅领证通知。
四、注册安全工程师继续教育
注册安全工程师继续教育培训信息可通过《中级注册安全工程师注册管理系统》(http://rmocse.chinasafety.ac.cn/)中的“培训班信息”查询或登录“上海市安全生产科学研究所”(http://www.51safe.com.cn/)的“公告公告栏”查阅。
上海市应急管理局
注册安全工程师注册中心
2020年12月30日
附件一、中级注册安全工程师执业证(标签)补办申请表
附件二、中级注册安全工程师执业证注销申请表


同创学院2021年注册安全工程师考试网课班、面授班开始报名啦!
专注安全工程领域培训16年
上海市人事考试中心指定全国注安考试报名确认点
上海市优秀职业认证培训品牌
上海市建交委指定培训基地
上海市安全生产协会理事单位
课程咨询热线:400-999-4365
同创学院官网:www.zhikao365.com


400-999-4365